2 Way Valve Wiring Diagram . On asco redhat 2 wiring diagram. They consist of an actuator, valve and a replaceable cartrige assembly.
Sunvic Unishare Valves Why They Fail So Frequently from www.seered.co.uk A solenoid valve is a combination of two basic functional units: 4) to determine the actuator and linkage part numbers, follow the column down to the lower table. Wiring note while two circuits, each with its own transformer, touch at terminal #2, they do not communicate or interfere with each other in any way (see figure c). The official uk site for honeywell home heating controls. 1 2 tac inverted flare fittings must be ordered separately.
A water faucet allows flow or stops flow by manual control. When the sw is closed , the valve open 3. 3) select the desired valve body type that is designed for that application. Mike briley from access irrigation demonstrates how to wire a 24v irrigation solenoid valve into a mains powered irrigation watering controller using low vol. Orange = switch live output from switch. Since the kneeling monk prop is largely completed i prepare the solenoid valve f. Grey = permanent live to switch.
Source: ae01.alicdn.com The official uk site for honeywell home heating controls. 1) refer to the table on page 6 or 7 for two way valves, and page 8 for three way valves. Baxi megaflo 2 system 24 compact wiring diagram heating spare parts 624 630 636 lpg installation instructions central diagrams ecoblue advance combi boiler overheating diynot forums manual 105e solo pf 60 earlier appliance 105 he honeywell cm927 100 plus potterton pcb schematic combination with zones 230v switching how does an s plan work boffin external programmers for boilers… read more »
Valves may be mounted vertically, or horizontally within the limits shown in the diagram. Wiring note while two circuits, each with its own transformer, touch at terminal #2, they do not communicate or interfere with each other in any way (see figure c). Cr7 04 wiring diagram (7 wires control, with feedback signal) 1.
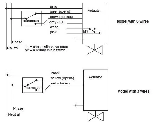
Bl & gy connect with the valve's fully open signal wiring 5. Mike briley from access irrigation demonstrates how to wire a 24v irrigation solenoid valve into a mains powered irrigation watering controller using low vol. Brown = live to motor.
Source: lh5.googleusercontent.com 3) select the desired valve body type that is designed for that application. Controlling a single acting cylinder. 1) refer to the table on page 6 or 7 for two way valves, and page 8 for three way valves.
1) refer to the table on page 6 or 7 for two way valves, and page 8 for three way valves. Once the valve is fully open, a switch inside connects the grey and orange wires together. When the sw is open , the valve closed 4.
We are the leading suppliers of domestic heating and combustion controls in the uk with products that include time, temperature, gas and water controls. Wiring note while two circuits, each with its own transformer, touch at terminal #2, they do not communicate or interfere with each other in any way (see figure c). They consist of an actuator, valve and a replaceable cartrige assembly.
Source: f01.justanswer.com All wiring must be carried out by a competent electrician. Controlling a single acting cylinder. We are the leading suppliers of domestic heating and combustion controls in the uk with products that include time, temperature, gas and water controls.
• a solenoid (electromagnet) with. 3) select the desired valve body type that is designed for that application. Buzzing sound from motorised valve y plan central heating system thermostat wire with nest 3rd gen danfoss hsa3 wiring diagram sunvic 3 port 2 22 mm cannot have ch h series valves data pve 4 for pvg 32 100 120 and pvhc diynot mcv116 pressure control pilot esbe ara actuators modulating ame axm 117 drive unit 22mm cp715si to allow 157b4073 pveh32.
They consist of an actuator, valve and a replaceable cartrige assembly. Since the kneeling monk prop is largely completed i prepare the solenoid valve f. The one where i wire up the solenoid valve so that i can use it with a prop.
Source: i.pinimg.com Click the icon or the document title to download the pdf. Cr7 04 wiring diagram (7 wires control, with feedback signal) 1. See actuator accessories for fitting part numbers.
1) refer to the table on page 6 or 7 for two way valves, and page 8 for three way valves. Our wiring diagrams section details a selection of key wiring diagrams focused around typical sundial s and y plans. They consist of an actuator, valve and a replaceable cartrige assembly.
Two way and three way valves with a mechanical return spring that automatically return the valve back We are the leading suppliers of domestic heating and combustion controls in the uk with products that include time, temperature, gas and water controls. Once the valve is fully open, a switch inside connects the grey and orange wires together.
Source: www.rainharvest.com The official uk site for honeywell home heating controls. The one where i wire up the solenoid valve so that i can use it with a prop. 3) select the desired valve body type that is designed for that application.
2) find the appropriate application parameters in the first row of the table. Valves may be mounted vertically, or horizontally within the limits shown in the diagram. We are the leading suppliers of domestic heating and combustion controls in the uk with products that include time, temperature, gas and water controls.
Become a commercial account member. A solenoid valve is a combination of two basic functional units: Use the first six positions to configure the valve.
Source: wiringall.com Warning all controls must be earthed. • a solenoid (electromagnet) with. Use the first six positions to configure the valve.
On asco redhat 2 wiring diagram. When the sw is closed , the valve open 3. Solenoid control valves that change position open/close etc by opening small pilot circuits allowing pressurised air, fluid or gas to move the valve are called pilot operated or servo pressure assisted valves.
1 2 tac inverted flare fittings must be ordered separately. Thermostats transformer to t terminals˜ on boiler control˜ transformer relay t t taco esp zone valves up to 12 valves per˜ 40va transformer l1 (hot) l2 24 v end switch˜ end switch. Solenoid control valves that change position open/close etc by opening small pilot circuits allowing pressurised air, fluid or gas to move the valve are called pilot operated or servo pressure assisted valves.
Thank you for reading about 2 Way Valve Wiring Diagram , I hope this article is useful. For more useful information visit https://thesparklingreviews.com/