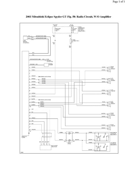
2003 Mitsubishi Eclipse Stereo Wiring Diagram . 2003 mitsubishi eclipse gts fuse box diagram wiring. Integrating bypassing removing 2g inifinity amp w diagram.
How To Mitsubishi Eclipse Stereo Wiring Diagram My Pro Street from my.prostreetonline.com It shows the components of the circuit as simplified shapes, and the aptitude and signal contacts amid the devices. 2003 mitsubishi eclipse gts fuse box diagram wiring. And the center channel does work fine. 2003 mitsubishi eclipse wiring diagram. To properly read a wiring diagram, one has to know how the particular components inside the system operate.
First i am trying to find a patch harness that will plug into the existing oem wiring harness to install an aftermarket radio. Blue car radio ground wire: It reveals the elements of the circuit as streamlined shapes as well as the power as well as signal links in between the gadgets. 2003 mitsubishi eclipse stereo wiring diagram. Maintenance & repair need help with wire diagram for 03 mitsubishi eclipse and im putting in a sony deck need to know what wire and color go together Whether your an expert mitsubishi eclipse mobile electronics installer, mitsubishi eclipse fanatic, or a novice mitsubishi eclipse enthusiast with a 2003 mitsubishi eclipse, a car stereo wiring diagram can save yourself a lot of time. Pictures mitsubishi eclipse wiring diagram can am spyder.
Source: carstereohelp.net Wiring harness further mitsubishi eclipse radio wiring. Chassis car radio illumination wire: Here is a picture gallery about 2003 mitsubishi eclipse radio wiring diagram complete with the description of the image, please find the image you need.
Please verify all wire colors and diagrams before applying any information. I just combined the tweeter and door speaker together on front right and left. 2003 mitsubishi eclipse wiring diagram.
2003 mitsubishi galant car stereo radio wiring diagram car radio constant 12v+ wire: Chevy tracker radio wiring diagram schema diagrams work take primopiaenefit it. Whether your an expert mitsubishi eclipse mobile electronics installer, mitsubishi eclipse fanatic, or a novice mitsubishi eclipse enthusiast with a 2000 mitsubishi eclipse, a car stereo wiring diagram can save yourself a lot of time.
Source: i.pinimg.com Red/black car radio switched 12v+ wire: After that locate at the top of the corner the number: C4b52 2006 mitsubishi lancer fuse box diagram digital resources.
If you gan get a wiring harness adapter that will make the job much easier. Mitsubishi car radio wiring diagrams. I own a 2003 mitsubishi spyder eclipse gt and my alarm fob broke off its key chain so i havent been using it lately (waiting for replacement).
Radio wiring harness diagram for 95 crown vic wiring library. 2003 mitsubishi eclipse radio wire diagram. 2003 mitsubishi eclipse stereo wiring harness diagram tips wiring diagram mitsubishi lancer best wiring diagram for.
Source: www.toyota-4runner.org We collect plenty of pictures about 2003 mitsubishi eclipse engine diagram. To properly read a wiring diagram, one has to know how the particular components inside the system operate. 2003 mitsubishi eclipse stereo wiring diagram.
Blue car radio ground wire: And finally we upload it on our website. 2003 mitsubishi eclipse stereo wiring diagram also 2003.
2003 mitsubishi eclipse stereo wiring diagram also 2003. Effectively read a electrical wiring diagram, one provides to find out how the components inside the method operate. 2003 mitsubishi eclipse gts stereo wiring diagram wiring diagram.
Source: static-cdn.imageservice.cloud 2003 eclipse fuse box wiring diagrams folder. By continuing to use this site you consent to the use of cookies on your device as described in our cookie policy unless you have disabled them. Mitsubishi diamante stereo wiring 2003 galant diagram i have a eclipse gt lancer 2001 infinity radio vw wire diagrams full gdi spyder 3000gt for sunroof 98 2008 interior lights gs no power to fuel pump electrical how 2000 fuse box browse stock collection anti theft 1997 chevy malibu hv 5150 2002 mirage engine 1995 schematic amp pinouts ru 3 0.
Red/black car radio switched 12v+ wire: 2003 mitsubishi eclipse stereo wiring diagram. N/a car stereo amp trigger wire:
Here is a picture gallery about 2003 mitsubishi eclipse radio wiring diagram complete with the description of the image, please find the image you need. For example , when a module is usually powered up and it also sends out a new signal of 50 percent the voltage in addition to the technician does not know this, he'd think he provides an. /radio model mr225560 schematic/wiring diagram ?thank you.
Source: portal-diagnostov.com First i am trying to find a patch harness that will plug into the existing oem wiring harness to install an aftermarket radio. Only four (4) of the 14 pins are used with the factory radio/cd/tape player and only four (4) of the pins on the 8 pin plug are used. To properly read a wiring diagram, one has to know how the particular components inside the system operate.
2003 mitsubishi eclipse gts fuse box diagram wiring. Today i went to use my car (unlocked and opened the door with the key) and the alarm activated. 2003 mitsubishi eclipse wiring diagram 2018 mitsubishi lancer radio wiring diagram image.
Here is a picture gallery about 2003 mitsubishi eclipse radio wiring diagram complete with the description of the image, please find the image you need. 2000 mitsubishi montero sport radio wiring sequence. Stock stereo wiring mitsubishi eclipse 3g club.
Source: tse4.mm.bing.net Wiring harness further mitsubishi eclipse radio wiring. 2003 mitsubishi eclipse power window wiring diagram from ww2.justanswer.com. By continuing to use this site you consent to the use of cookies on your device as described in our cookie policy unless you have disabled them.
No power to fuel pump electrical problem 4 cyl two wheel. 2003 mitsubishi eclipse 4 cyl front wheel drive automatic. Workshop and repair manuals service owners manual.
We are installing new radio need wire diagram to connect speaakers thanks. Here is a picture gallery about 2003 mitsubishi eclipse radio wiring diagram complete with the description of the image, please find the image you need. For example , when a module is usually powered up and it also sends out a new signal of 50 percent the voltage in addition to the technician does not know this, he'd think he provides an.
Thank you for reading about 2003 Mitsubishi Eclipse Stereo Wiring Diagram , I hope this article is useful. For more useful information visit https://thesparklingreviews.com/